外観
特長
新登場のトルクス®ネジは、デザイン面と機能面の両方でおすすめです。
通常の頭駆動部の形状と違い星形のため、見た目の印象が良くなります。
カムアウト現象(ドライバーにてネジを組付ける際、ドライバー先端がネジ穴の接地部分より浮いてしまう現象、これにより、ネジがしっかり回せなくなる)が起こりにくく、確実に締結することが出来ます。
なお、専用ドライバーが必要になります。(下記参照ください)
上記特長のあるトルクスⓇネジを使用することで、上記特長の一般ネジと異なる特殊な見た目、しっかり締めることが容易な特殊な穴形状により、他社フレームとの差別化を図ることが出来ます。
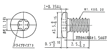
仕様
| 材質 | SUS (ステンレス) | |||
| 規格 | L (首下): 2.5で製造可能 (※) | |||
| 製造国 | 日本 | |||
※詳細規格・在庫については、お問い合わせください。
詳細規格など
生産実績サイズ
下記を参照ください。
専用ドライバー
このネジには、下記トルクスⓇネジ専用ドライバー(T3ドライバー)が必要です。
※トルクス®は、米国法人アキュメント社の登録商標です。
※トルクス®は、日東精工株式会社の製品です。

